基于尊龙时凯TX6121DC-DC恒流芯片设计的LED降压恒流驱动DEMO说明

来源:尊龙时凯 时间:2022-05-23

基于尊龙时凯TX6121DC-DC恒流芯片设计的LED降压恒流驱动DEMO说明

 

 

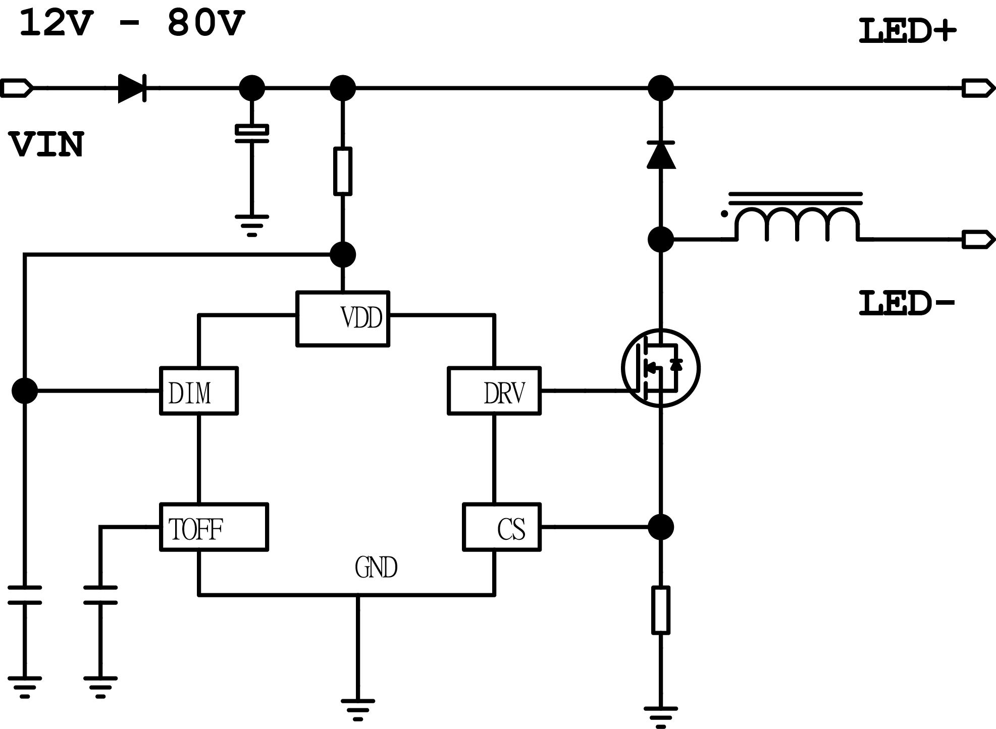
LED恒流驱动芯片TX6121DEMO原理图

LED恒流驱动芯片TX6121DEMO原理图

 

LED恒流驱动芯片TX6121DEMO电路板

LED恒流驱动芯片TX6121DEMO电路板

 

TX6121 DEMO 板实测数

TX6121 DEMO 板实测数

 

TX6121 DEMO 板实测数据 和 转换效率 参考

TX6121 DEMO 板实测数据 和 转换效率 参考

 

基本描述:

本 DEMO 为 LED恒流芯片TX6121制作的演示板,,用于 DC 输入 12-80V,,输出电压9V,,,,输出恒流 2.7A 的应用演示,,,,最高转换效率高达 90%。。。

本电路固定工作频率是:36.76-183.8 KHz。。。。输出 9V/2.7A ,,,输出电流可调。。。

 

站点地图